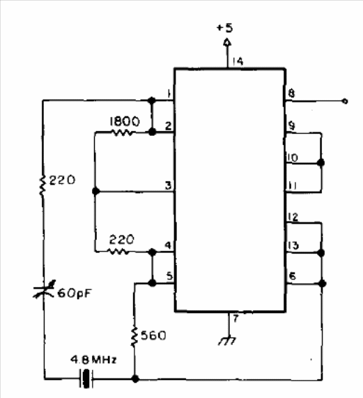
The integrated circuit of this 1976 configuration is the 7400 and the type crystal in televisions of the time. The circuit must be supplied with 5 V and the signal generated is rectangular. We observed that despite being TLL, the output signal at high frequency may not be perfectly rectangular. However, the circuit is compatible with this logic.




