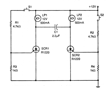
This traditional SCR flip-flop configuration is from an American publication from the 1970s. The SCRs can be the TIC106 and the capacitor must be of the depolarized type. The maximum current depends on the SCRs and only incandescent lamps should be controlled. At each pulse in S2, the SCR changes its state.




