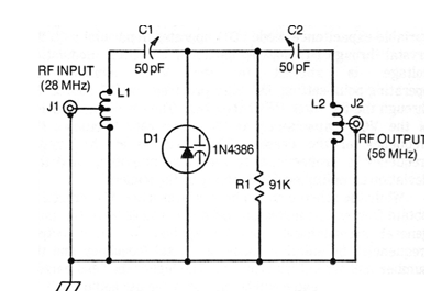
This circuit doubles the frequency of a signal using a varicap. In this case, the input is 28 MHz, and the output is 56 MHz. L1 against 7 turns of wire 14 with central socket and 2.5 cm shape. L2 consists of 5 loops of io 14 in the form of 2.5 cm with central socket. The circuit can be modified to operate at other frequencies according to the characteristics of the varicap. The circuit is from a 1976 publication.




